Die wohl interessanteste Kategorie. Ihr habt Probleme mit Eurem Peugeot? Die Werkstatt weiss mal wieder nicht weiter? Das Handbuch gibt auch nichts mehr her? Na dann, stellt Eure Frage hier rein.
			
		
				
			- 
				
								406 D							
- Spätzünder
- Beiträge: 1664
- Registriert: Di 11.11.03 00:00
- Postleitzahl: 26632
- Land: Deutschland
- Wohnort: ihlow
						
						
													
							
						
									
						Beitrag
					
								von 406 D » Do 20.05.10 19:05
			
			
			
			
			moin,
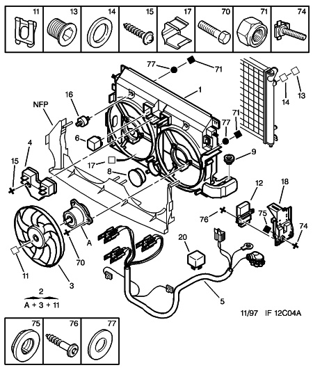
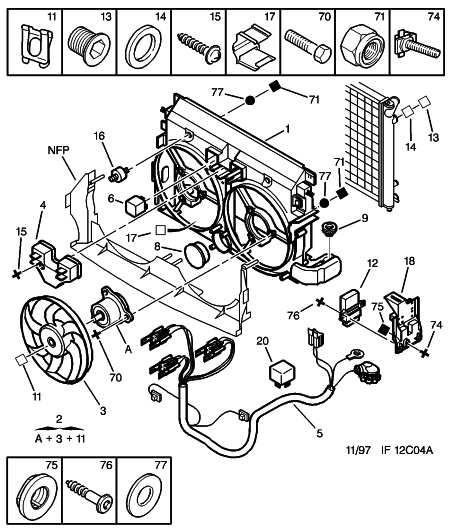
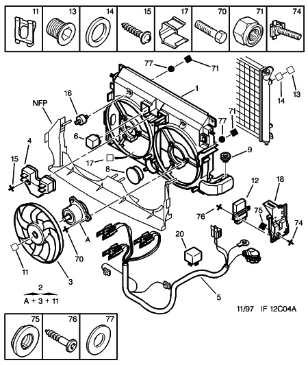
es gibt noch ein bauteil im radkasten hinter der radhausverkleidung fahrerseite, auf dem bild die nr. 12.
ferner prüfe mal die kabel die vom kühlerlüfter abgehen, da geht unter anderem ein massekabel auch zum vorderen radkasten (unter der batterie), hier kommt es schon mal zu kontaktproblemen da sie aufs lackierte blech geschraubt sind und von der unterseite feuchtigkeit für rostende schrauben sorgt.
	
TEMP-GEHAEUSE
96 /118 DEG
GR - GRAU
- EINSPRITZER XU7JP4 UND BVA UND KLIMA-ANLAGE
			
		
				
			 
- kühler.jpg (88.42 KiB) 2446 mal betrachtet
  
		 
				
		
		 
	 
	
				
		
				
			- 
				
																			 mogli74
- Radarfallenwinker
- Beiträge: 13
- Registriert: Mi 19.05.10 16:32
- Postleitzahl: 12459
- Land: Deutschland
						
						
													
							
						
									
						Beitrag
					
								von mogli74 » Sa 22.05.10 10:19
			
			
			
			
			Ok also wenn ich das jetzt richtig verstanden habe, it ein Massekabel unter der Batterie?Werde dort mal nachschauen............das Teil Nr.12 ist das sogenannte Steuerteil????????
Danke Euch für die Tips.................melde mich wieder
			
									
									
						 
		 
				
		
		 
	 
	
				
		
				
			- 
				
								Alex-88							
- Kanaldeckelumfahrer
- Beiträge: 135
- Registriert: Mo 14.04.08 16:15
- Land: Deutschland
- Wohnort: Hannoversch Münden
- 
				Kontaktdaten:
				
			
						
						
													
							
						
									
						Beitrag
					
								von Alex-88 » Sa 22.05.10 10:38
			
			
			
			
			Hmm stimmt, nen Masseproblem könnte auch passen  
 
  
-------------------------------------------------------------------------------

 
		 
				
		
		 
	 
	
				
		
				
			- 
				
																			 mogli74
- Radarfallenwinker
- Beiträge: 13
- Registriert: Mi 19.05.10 16:32
- Postleitzahl: 12459
- Land: Deutschland
						
						
													
							
						
									
						Beitrag
					
								von mogli74 » Mi 02.06.10 19:14
			
			
			
			
			
			
									
									
						 
		 
				
		
		 
	 
	
				
		
				
			- 
				
																			 weiler@net.hr
- Serien-Wagen-Fahrer
- Beiträge: 1
- Registriert: Mi 14.07.10 18:22
- Land: Deutschland
						
						
													
							
						
									
						Beitrag
					
								von weiler@net.hr » Mi 14.07.10 18:43
			
			
			
			
			Hallo,
hatte gleiches Problem. Habe ein elektonic teil ausgetauscht das sich unterm vorderen linkem rad befindet. Dazu musst du den plastik radkasten abschrauben. Es ist ein kleines schwarzes teil so um die 8x6 cm. Hatt mich gebraucht cca. 40 EUR gekostet.
Ich hoffe das ich geholfen habe. 
Gruss aus Kroatien.