Die wohl interessanteste Kategorie. Ihr habt Probleme mit Eurem Peugeot? Die Werkstatt weiss mal wieder nicht weiter? Das Handbuch gibt auch nichts mehr her? Na dann, stellt Eure Frage hier rein.
-
SevoBoxer
- Radarfallenwinker
- Beiträge: 13
- Registriert: So 07.03.21 02:58
- Postleitzahl: 46240
- Land: Deutschland
Beitrag
von SevoBoxer » Di 16.03.21 20:36
Hallo freunde ich habe ein neues problem mit meinem boxer
Die temperatur meines boxers geht einfach nicht hoch sie springt mal komplett auf max und dann wieder runter und dann mal wieder nicht.
Ich habe jetz einen temperatur sensor gekauft und wollte den gern mal wechseln. Bevor ich anfange thermostat gehäuse und wasserpumpe zu wechseln könntet ihr mir villeicht sagen wo der sich befindet.
VF3YB2MFB12C79373
-
Rolf-CH
- Politessen-Verehrer
- Beiträge: 1335
- Registriert: Mo 22.02.10 21:25
- Land: Schweiz
Beitrag
von Rolf-CH » Di 16.03.21 20:53
Bist Du sicher, dass dieser gekaufte Sensor für Dein FZ passt?
-
SevoBoxer
- Radarfallenwinker
- Beiträge: 13
- Registriert: So 07.03.21 02:58
- Postleitzahl: 46240
- Land: Deutschland
Beitrag
von SevoBoxer » Di 16.03.21 21:10
Also ich hab den mein problem erklärt und der meinte ich brauche den sensor und jetz suchen wir uberall aber nix zu finden
-
Peugeot408
- Strafzettelsammler
- Beiträge: 417
- Registriert: So 26.01.20 19:58
Beitrag
von Peugeot408 » Di 16.03.21 21:35
Hab jetzt versucht über die Fahrzeug-Identifizierungsnummer (FIN/VIN) zu suchen, konnte aber nichts finden. Keine Daten über das Fahrzeug auf meiner Seite.
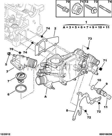
Hab jetzt manuell 2 Versionen gefunden wo er sitzen kann.
Findest du bei beidem am Thermostat.
Nummer 4 ist der Fühler hier
Nummer 9 ist er hier
Peugeot 408
1.6 Tu5jp4 /NFU
-
SevoBoxer
- Radarfallenwinker
- Beiträge: 13
- Registriert: So 07.03.21 02:58
- Postleitzahl: 46240
- Land: Deutschland
Beitrag
von SevoBoxer » Di 16.03.21 21:54
Ich habe das thermostat mal verglichen aber ist leider ein ganz anderes. Wir sind jetz mal 30 min gefahren mit einer durchschnittlichen kühlmitteltemperatur von 24 grad mal abfallend mal leicht auf 26 grad steigend öltemperatur beträgt momentan 85 grad. Hmmmm
-
Rolf-CH
- Politessen-Verehrer
- Beiträge: 1335
- Registriert: Mo 22.02.10 21:25
- Land: Schweiz
Beitrag
von Rolf-CH » Di 16.03.21 22:32
Der ist auch im Gehäuse integriert, darum meine erste Frage ob Du den richtigen Sensor hast.
Entlüftung nur mit Diagnosegerät möglich. Prozedur einhalten.
Falls dies nicht durchgeführt wird, kann Motor überhitzen, Motorschaden hervorrufen.
-
SevoBoxer
- Radarfallenwinker
- Beiträge: 13
- Registriert: So 07.03.21 02:58
- Postleitzahl: 46240
- Land: Deutschland
Beitrag
von SevoBoxer » Di 16.03.21 22:47
Danke für die schnelle antwort

Ich bin dir mehr als dankbar für diese aufklärung
Diagnosegerät ist vorhanden.
Dann ist es aber aufjedenfall der falsche sensor den ich habe
Ich weiß nicht ob sich der aufwand dann noch lohnt.
Ob ich nicht soch ein neues gehäuse kaufen soll
-
SevoBoxer
- Radarfallenwinker
- Beiträge: 13
- Registriert: So 07.03.21 02:58
- Postleitzahl: 46240
- Land: Deutschland
Beitrag
von SevoBoxer » Di 16.03.21 22:52
Mit prozedur meintest du ?
-
Rolf-CH
- Politessen-Verehrer
- Beiträge: 1335
- Registriert: Mo 22.02.10 21:25
- Land: Schweiz
Beitrag
von Rolf-CH » Mi 17.03.21 20:50
Nach Methode Diagnosegerät Entlüftung einleiten.